Latest Motors & Motion Controls Technical Articles

Categories

Encoders vs. Resolvers: Applications and Characteristics

Encoders vs. Resolvers: Applications and Characteristics

Learn the general characteristics of encoders and resolvers; these two components may seem to have much in common but are used in very different applications.


Utilizing Exoskeleton Robots for Industrial Applications

Utilizing Exoskeleton Robots for Industrial Applications

Learn all about exoskeletons, a way to fuse robotics and humans in ways that can help the manufacturing process while protecting the human body from excessive strain.


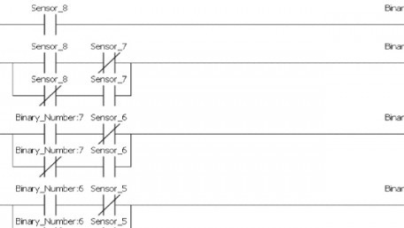
How to Convert Gray Code to Binary for Encoders

How to Convert Gray Code to Binary for Encoders

The sensors in absolute encoders output Gray code sequences which require some complicated conversion methods to be properly used. This article shows how to take the Gray code used by absolute encoders and convert it to binary.


An Introduction to Gray Code for Encoders

An Introduction to Gray Code for Encoders

This article introduces Gray code, a specialized binary arrangement necessary for absolute encoders to communicate with controllers.


How Does Motion Planning for Autonomous Robot Manipulation Work?

How Does Motion Planning for Autonomous Robot Manipulation Work?

Learn all about visual servoing and motion planning to create an autonomous robot!


An Introduction to Simultaneous Localization and Mapping (SLAM) for Robots

An Introduction to Simultaneous Localization and Mapping (SLAM) for Robots

SLAM for robotics utilizes mapping and localization for accurate movement. This article covers the architecture of a mobile robot running SLAM and the different broad classifications withing SLAM.


A Look Into Rotary Encoder Types: Absolute and Incremental

A Look Into Rotary Encoder Types: Absolute and Incremental

This article looks at rotary encoders, covering the main types, introducing their characteristics, and introducing their key applications in control systems.


The Importance of Grounding Equipment for Safety

The Importance of Grounding Equipment for Safety

When it comes to electrical grounding, many strategies are employed to accomplish different tasks. One of the main reasons for grounding equipment is for the safety of users and equipment while maintaining strict adherence to regulations.


Using the Allen-Bradley Ramp/Soak Controller With a PID

Using the Allen-Bradley Ramp/Soak Controller With a PID

This article will focus on using an Allen-Bradley ramp/soak controller with a PID.


Introduction to the Allen Bradley Ramp/Soak Controller

Introduction to the Allen Bradley Ramp/Soak Controller

The ramp/soak controller has long been associated with temperature control loops and is included standard in some, and as an option on other stand-alone electronic temperature controllers. 


The Rise of Electromechanical Actuators

The Rise of Electromechanical Actuators

Recently, there has been an increasing demand for electromechanical actuators as they may be beginning to replace hydraulic and pneumatic actuators. 


Different Types of Motor Encoders Commonly Used in Automation

Different Types of Motor Encoders Commonly Used in Automation

This article discusses different types of motor encoders in automation, specifically linear and rotary encoders and their applications.


Introduction to Pneumatic, Hydraulic, and Electric Actuators

Introduction to Pneumatic, Hydraulic, and Electric Actuators

In this article, we take a look at hydraulic, pneumatic, and electric actuators and how they are used in different scenarios.


Using PID and Feedback Loops for Precise Motion Systems

Using PID and Feedback Loops for Precise Motion Systems

PID controllers are an excellent method of using feedback to turn an otherwise open-loop system into one which can follow a carefully prescribed profile, correcting for inconsistencies caused by the equipment, the environment, and even the products in the manufacturing process.


Variable Frequency Drives (VFDs) In Motor Control

Variable Frequency Drives (VFDs) In Motor Control

Nearly all industrial engineers have heard of a VFD. But what does VFD stand for, how do they work, and why would we prefer using a VFD to control motors for heavy loads?